Прокладка упругая из технамида ЖБР ЦП369.104 (ТУ ЦП 369 ТУ-4)
Классический упругий элемент рельсового скрепления ЖБР
Прокладка упругая ЖБР ЦП369.104 — это стандартизированный элемент бесподкладочного рельсового скрепления типа ЖБР-65, предназначенный для установки на железобетонные шпалы типа Ш3. Её основное функциональное назначение — создание упругой опоры для рельса Р65, обеспечение демпфирования динамических нагрузок и электроизоляции рельсовой нити от шпалы.
Важная историческая note: В современных конструкциях пути данная отдельная прокладка вместе с упорной скобой заменяется более прогрессивным унифицированным элементом — упором боковым полимерным ЦП 369.006С (ТУ-6). Однако прокладка ЦП369.104 остается актуальной для ремонта и обслуживания существующих путей, уложенных по старой технологии.
Технические характеристики
| Параметр | Значение | Примечание |
|---|---|---|
| Обозначение | ЦП369.104 | Упругая прокладка |
| Технические условия | ТУ ЦП 369 ТУ-4 | Действующий стандарт на изделие |
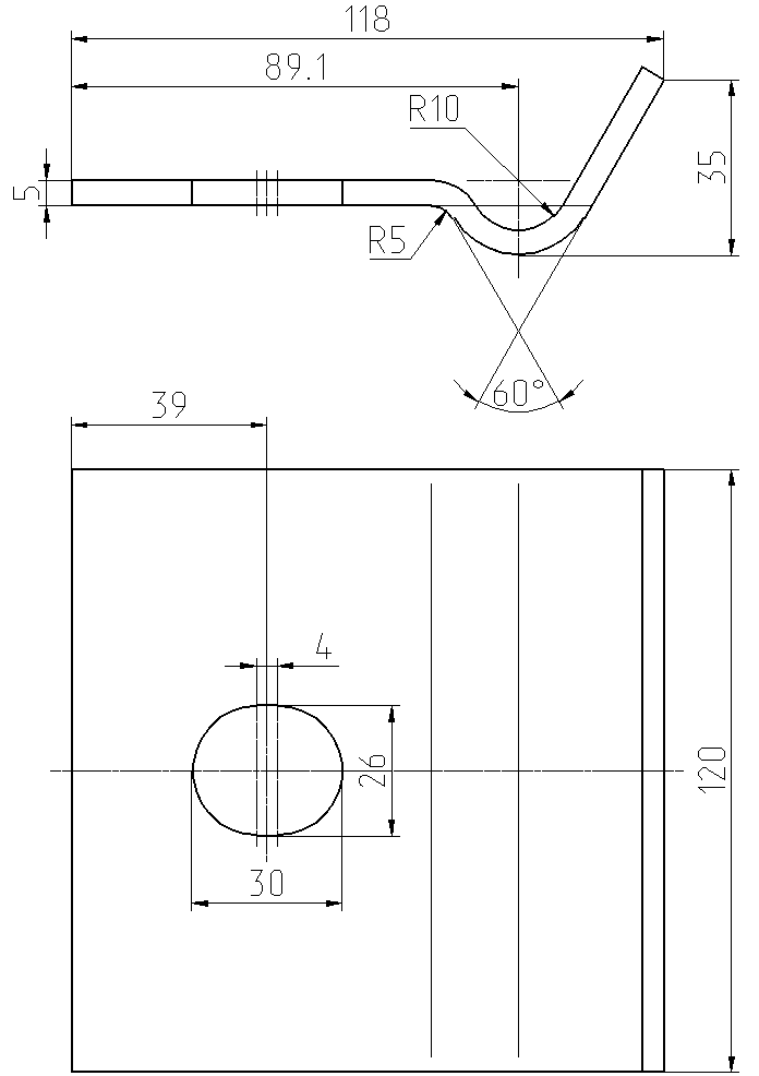
| Габаритные размеры (ДхШхВ) | 1180 x 120 x 35 мм | Длина 1180 мм, ширина 120 мм, высота 35 мм |
| Толщина стенки (номинальная) | 5 мм | Толщина материала в основной части |
| Диаметр отверстия под болт | 30 мм | Под закладной болт М22 скрепления ЖБР |
| Масса одного изделия | 0,1 кг | Вес приблизительный, может варьироваться |
| Материал изготовления | Технамид (полиамид ПА-6, стеклонаполненный) | Марка материала, стойкого к истиранию и УФ |
| Тип скрепления | ЖБР-65 (ЖБР-65Ш) | Для рельсов Р65 на шпалах Ш3 |
| Климатическое исполнение | У, УХЛ по ГОСТ 15150 | Для умеренного и холодного климата |
Сравнение с современным аналогом (ЦП 369.006С)
| Критерий | Прокладка упругая ЦП369.104 + Скоба | Упор боковой полимерный ЦП 369.006С |
|---|---|---|
| Конструкция | Два отдельных элемента: прокладка и стальная упорная скоба | Один объединенный полимерный элемент, заменяющий оба |
| Функция | Упругость + боковой упор раздельно | Упругость и боковой упор в одном изделии |
| Монтаж | Сложнее, требуется установка двух деталей | Проще и быстрее, одна деталь на позицию |
| Современность | Устаревшее, но поддерживаемое решение | Современный стандарт для новых путей |
| Область применения | Ремонт и замена на существующих путях старой укладки | Новое строительство и капитальный ремонт с модернизацией |
Назначение и область применения
Прокладка ЦП369.104 применяется в комплекте со скобой упорной ЦП369.101 и другими элементами (клеммой, болтом) в классическом скреплении ЖБР.
Основные функции:
- Создание упругой опоры: Обеспечивает необходимую вертикальную и горизонтальную податливость рельса, смягчая ударные нагрузки.
- Электроизоляция: Изолирует рельс от железобетонной шпалы, что важно для работы рельсовых цепей автоблокировки.
- Защита бетона: Предотвращает непосредственный контакт и разрушение бетона шпалы от вибрации.
- Фиксация: В паре со скобой обеспечивает боковое удержание рельса.
Где используется: При ремонте и текущем содержании участков железнодорожного пути, где эксплуатируется скрепление ЖБР-65 старого образца (без полимерных упоров).
Преимущества материала "Технамид"
Использование полиамида ПА-6 (технамида) со стеклонаполнением дает прокладке ЦП369.104 ряд эксплуатационных преимуществ:
- Высокая износостойкость: Устойчива к истиранию от постоянных микросдвигов рельса.
Хорошие диэлектрические свойства:
- Поддерживает стабильное изоляционное сопротивление.
- Стойкость к ударным нагрузкам: Не раскалывается и не трескается от динамических ударов.
- Долговечность: Устойчива к атмосферным воздействиям, окислению, некоторым химическим реагентам.
- Работоспособность в широком температурном диапазоне: Сохраняет упругие свойства при температурах от -60°C до +70°C.
Комплектация, упаковка, хранение
- Поставка: Обычно кратно заводской упаковке (коробка, мешок). Стандартно — упаковка по 20, 40 или 50 штук.
- Упаковка: Прокладки перевязываются в пачки или упаковываются в полимерные мешки для защиты от влаги и загрязнения.
- Маркировка: На упаковке указывается наименование (ЦП369.104), ТУ, количество, дата изготовления, номер партии.
- Хранение: Рекомендуется хранить в закрытых сухих помещениях, защищенных от прямых солнечных лучей.
Цены и условия заказа
Ориентировочная стоимость прокладки упругой ЦП369.104 на рынке начинается от 190 до 280 рублей за штуку (цена может меняться в зависимости от объема закупки, региона и производителя).
Почему выгодно покупать у нас?
- Наличие на складе: Постоянный запас для обеспечения срочных нужд при ремонте пути.
- Прямые контракты с производителями: Отсутствие посредников гарантирует лучшую цену и контроль качества.
- Гибкие условия для оптовых покупателей: Скидки от объема, отсрочка платежа для постоянных клиентов.
- Полный пакет документов: Паспорт изделия, сертификаты соответствия, накладные.
- Консультация и подбор: Поможем определить необходимое количество, предложим современный аналог (полимерный упор) для модернизации.
- Доставка по РФ и СНГ: Отгрузка автотранспортом, ж/д вагонами, работа с транспортными компаниями.
Как сделать заказ?
- Определите требуемое количество прокладок ЦП369.104 (из расчета 4 шт. на одну шпалу).
- Свяжитесь с нашим менеджером для подтверждения наличия и актуальной цены.
- Получите коммерческое предложение с указанием итоговой стоимости, сроков и условий поставки.
- Согласуйте отгрузочную документацию и реквизиты для выставления счета.
Гарантируем поставку оригинальной продукции, соответствующей ТУ ЦП 369 ТУ-4, для надежного и долговечного ремонта вашего железнодорожного пути!

